STSC型动态无功功率调节器(以下简称调节器)是一种能对电力并联电容进行快速投切的电子型功率器件模块,其电气结构主要由大功率反并联晶闸管和触发控制电路组成。采用过零触发的方式,控制晶闸管模块导通,从而有效避免了电力电子元件对电网的谐波干扰和电流冲击,同时降低了传输过程中的无功损耗。

调节器配有控制开关导通或截止的接线端子,控制逻辑电平0~2V(截止),8~12V(导通)本开关具有安装简单,接线方便,响应速度快,投切无涌流,工作无噪声,运行稳定可靠待特点。是无功率动态补偿装置用投切电容器组成的理想器件。

本产品已通过国家中低压输配电设备质量监督检验中心的型式试验。




共补型号调节器 分补型号调节器


使用环境条件

1. 周围环境温度最-35℃~+40℃,24小时内其平均温度不高于+35

2. 空气相对湿度:85%(25℃时)

3. 海拔高度不超过2000m

4. 安装场所空气清洁,无爆炸及可燃危险;无足以损坏绝缘及腐蚀金属的气体;无导电尘埃,无雨雪侵袭及严重霉菌存在。

5. 电压波动范围不大于±20

6. 调节器应安装在无显著摇动,冲击与震动场合。

●主要功能

1.投切功能:具有投切过零,快速,允许频繁动作等特点。

2.保护功能:

过流保护:主回路接线出现短路,电容容量超出额定值,可控硅断开。

过热保护:调节器散热器温度超过设定值,可控硅断开。

谐波过流保护:主回路存在谐波含量超过设定值,可控硅断开。

3.指示功能: 电源指示:有电源时亮,没有则灭。

ABC相指示:该相有投进电容指示灯亮,没有则灭。

故障指示: 调节器出现过流,过热保护时亮,没有则灭。

谐波指示:谐波过流时亮,没有则灭。

●技术参数

额定工作电压:380VAC  (220VAC

额定工作频率:50Hz

额定控制容量:三相共补:15Kvar,30Kvar45Kvar

单相分补:5Kva310Kvar×315Kvar×3

额定控制电压:DC816V

额定控制电流:≤10mA

开通响应时间:≤20ms

型号说明

S T SC—□/

| |    |   |  |

| |    |   |  |——————— 电容接法(△:三相共补;Y:单相分补)

| |    |   |—————————电容额定容量(15 Kvar 30 Kvar,45 Kvar)

|   |———————————电容投切

| |—————————————可控硅投切型

|——————————————企业代号


调节器型号

调节器分类

调节器型号

规格

电容器接法

备注

共补型

STSC-15

15kvar以下/每路

D

适用0.4KV/15kvar/D

STSC-30

30kvar以下/每路

D

适用0.4KV/30kvar/D

STSC-45

30kvar以下/每路

D

适用0.4KV/45kvar/D

分补型

STSC-15

3×5kvar/每路

Y

适用0.25KV/15kvar/Y

STSC-30

3×10kvar/每路

Y

适用0.25KV/30kvar/Y

STSC-45

3×15kvar/每路

Y

适用0.25KV/45kvar/Y


●安装与接线

本调节器的安装应安装在补偿装置的条架上,由于调节器装有散热器及由温度控制的散热风扇,建议在安装时应从通风散热角度出发适当调节调节器间的间隙,并应为调节器的散热器和风扇部位留有风道,为使接线更为清晰,明了,应使进线端在上,出线端在下,调节器的外型尺寸见图。其外形尺寸:170×145×146 mm

固定尺寸: 120×131mm



●接线注意事项

1.  调节器主电路连接导线截面按照所并联电力电容器额定电流进行选择。

2.  输出各相务必安装放电用指示灯。

3.  将固定螺丝插入调节器侧翼安装孔内,将调节器安装在补偿装置条架上并固定旋紧螺母。



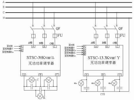
共补调节器主接线 分补调节器主接线
版权所有 © 2018 佛山市贝瑞尔电气科技有限公司 今目标系统登陆   粤ICP备12085756号-1  网站建设:经天网络